家有色❌邻图片㊙️W、WY往複真空泵-往複泵旋片泵-山東真空泵-山東飛耐泵業有限公司官網
往複泵旋(xuan)片泵

山東飛耐泵(beng)業有限公司高新(xin)技術企業提供泵(beng)類産品一站式購(gou)齊服務

  當前所在(zai)位置:首頁 > 産品展(zhǎn)示 > 往複泵旋片泵(bèng)

産品名稱:W、WY往複真(zhen)空泵

發布時間:2025-12-09 17:00:00    點(dian)擊:
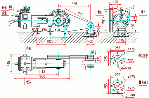
技術參(cān)數
型号(hào)
WY-50(V5)
WY-200(W5)
W3
W4-A
W4-1
W5-1
W-300
抽氣速(su)率(m3/h)
200
370
770
200
370
370
770
1080
1300
1300
1300
2600
2600
2600
2600
2600
300
200
200
300
200
530
430
300
配用(yong)電機(Kw)
5.5
11
22
5.5
11
11
22
30
汽(qi)缸直徑×行程
(mm)
350×200
455×250
250×150
350×200
250×150
350×200
450×200
氣管直徑 (mm)
4"
5"
2"
4"
4"
5"
出(chū)
2"
5"
2"
4"
4"
5"
624
876
1010
876
520
745
710
900
1162
650
900
860
980
 
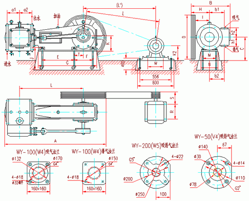
代号(hao)
A
B
C
E
F
G
H
J
K
L
L'
l
三角帶型号(hào)
WY-50(V5)
1435
624
375
707
430
260
815
282
198
400
186
787
882
B型 L=2997
WY-100(W4)
876
500
892
520
330
481
356
630
220
1388
1102
B型 L=4500
WY-200(W5)
2357
680
1162
655
400
1256
418
254
630
260
1360
1293
1397
W3
1418
630
400
640
430
260
815
283
115
400
186
910
886
882
B型 L=3048
W4-1
1486
520
430
260
815
300
150
400
186
939
832
C型 L=3023
W5-1
1805
670
520
330
1035
383
213
630
935
904
1026
C型 L=3048
WY-50(V5)
200
260
130
216
140
179
171
171
115
241
154
202
192
M16×400
M16×400
WY-100(W4)
260
165
254
243
216
140
337
272
220
M16×400
WY-200(W5)
290
370
200
318
307
300
300
430
299
M24×630
M16×400
W3
200
130
216
140
179
171
171
241
154
202
192
M16×400
M16×400
W4-1
200
260
130
256
210
229
121
a3:50
260
260
220
M16×400
M16×400
W5-1
260
326
165
318
307
230
147
a3:83
325
325
260
M20×630

 

Sitemap
总 公 司急 速 版WAP 站H5 版无线端AI 智能3G 站4G 站5G 站6G 站